U9彩票提出钛白粉生产浓硫酸循环利用绿色新工艺
最近美国化学工程师协会和美国化学会等发表了中科院过程工程研究所,绿色化学工程研究部的系列论文,对该部开发的从钛白粉副产七水硫酸亚铁和稀硫酸中回收浓硫酸并循环利用的新工艺做了详细报导。(AIChE Journal, 2017, DOI: 10.1002/aic.15795; Ind. Eng. Chem. Res, 2013, 52, 3481-3489;J. Chem. Eng. Data, 2017, 62, 937-979; 2016, 61: 2363-2370;2013, 58, 2044-2050;J. Chem. Thermodyn., 2016, 102, 219-227.)
七水硫酸亚铁是硫酸法钛白粉生产的主要固体废弃物,每生产1吨钛白粉会副产3吨以上的该废弃物。目前中国每年副产七水硫酸亚铁的量达到了一千万吨,绝大部分堆积排放没有得到利用,而且造成了环境的污染。实际上,七水硫酸亚铁的生成消耗掉了钛白粉生产中将近一半的硫酸,如果能将这部分硫酸回收利用则会极大降低钛白粉生产中硫酸的消耗量。绿色化工研究部李志宝研究员和张妍博士与加拿大McGill University的Demopoulos教授和University of British Columbia材料系的Asselin教授的团队合作,提出了利用七水硫酸亚铁制备FeCl2·4H2O进而制备氧化铁红并回收浓硫酸的盐酸循环新工艺流程(见下图)。主要步骤包括:(1)将FeSO4·7H2O溶于浓HCl溶液后降温结晶析出FeCl2·4H2O;(2)将FeCl2·4H2O在300-400℃煅烧制备氧化铁红并回收HCl;(3)结晶母液经过蒸发等进一步处理得到浓度为65%的硫酸溶液。该工艺的主要优点是通过盐酸循环降低了煅烧能量消耗,得到的浓硫酸返回钛白粉生产中节约硫酸用量,是一个节能的绿色工艺,克服了硫酸法生产钛白的瓶颈。
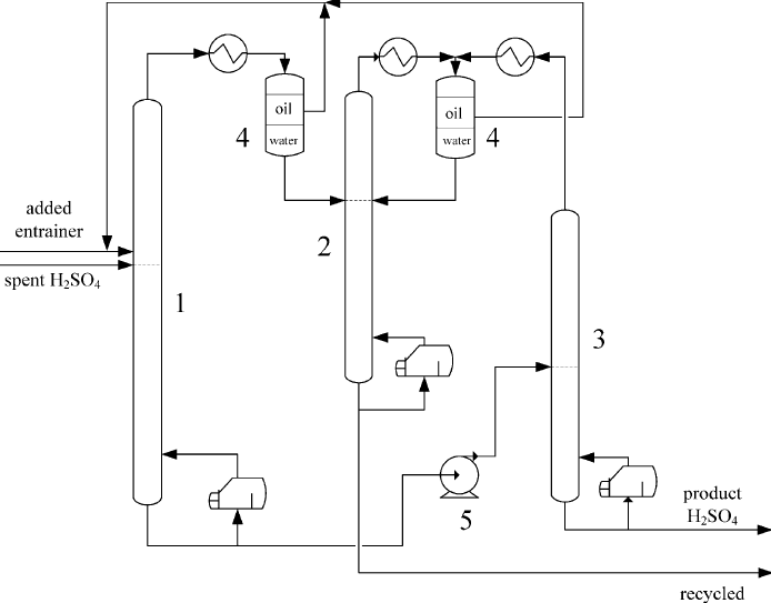
在硫酸法生产钛白粉工艺流程中,稀硫酸的回收利用也是一个必须解决的难题,每生产1吨钛白粉还会产生200-400吨稀硫酸废液(含10-20% H2SO4和15-20% FeSO4),现在利用高压蒸汽浓缩的方法能耗很大。针对这一问题,绿色化工研究部提出了以环己烷为共沸剂共沸精馏回收稀硫酸的新工艺(见下图),可有效降低精馏塔塔釜的温度到361 K,从而实现以低品位蒸汽浓缩稀硫酸。新工艺由3个精馏塔组成,即共沸精馏塔(塔1)、共沸剂回收塔(塔2)和硫酸塔(塔3)。硫酸和补充的共沸剂一起进入塔1,塔顶蒸汽冷凝后分层,油相回流至塔1,水相进入塔2分离共沸剂和水。塔1底部出来的浓缩硫酸进入塔3回收共沸剂。塔3的底部可以得到浓度为60%的硫酸溶液,其塔釜温度比正常沸点低了约40K,有非常好的工业应用前景。
以上研究工作受国家自然科学基金(21476235、U1407112和21506218)等资助。

利用七水硫酸亚铁制备氧化铁红并回收硫酸的新工艺流程图

共沸精馏浓缩稀硫酸的流程图
(绿色化学工程研究部)